Skip to product information
1 of 1

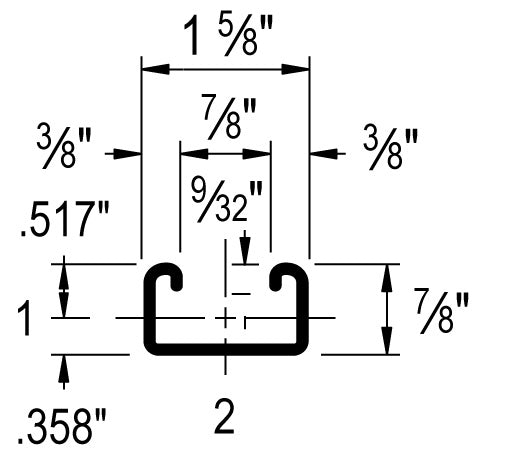
STRUT CHANNEL 7/8X20' 12G SLOTTED YELLOW ZINC

STRUT CHANNEL 7/8X20' 12G SLOTTED YELLOW ZINC

Ships Today!
Ask For Spec Sheet


View full details