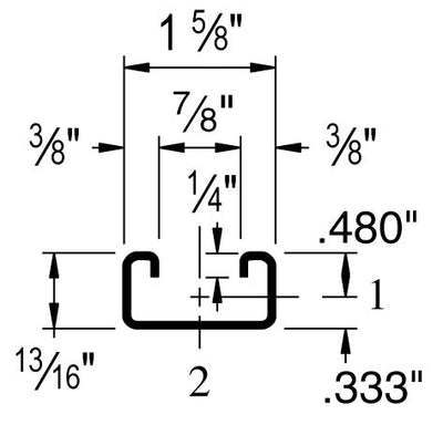
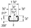
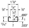
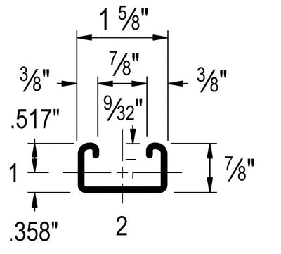
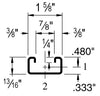
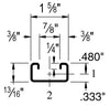
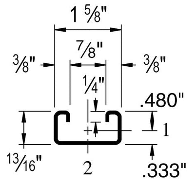
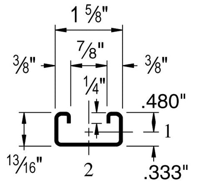
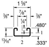
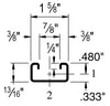
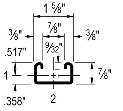
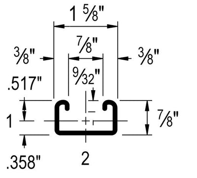
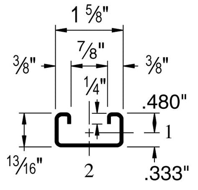
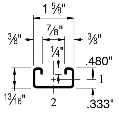
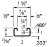
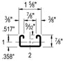
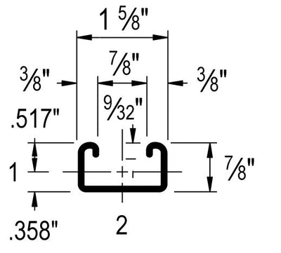
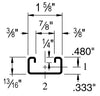
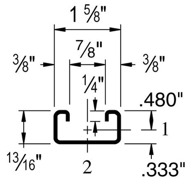
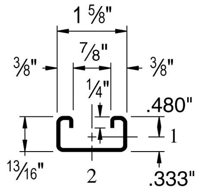
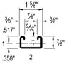
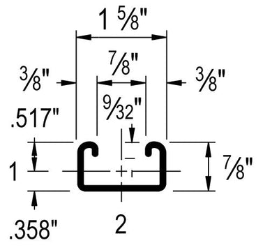
STRUT CHANNELS
Cold-formed steel channels used as structural framing members. Designed to accept channel nuts and fittings for adjustable mechanical, electrical, and industrial support assemblies.
Image
Item
Quantity
# Of Package(s)
# Of Package(s)